| Typical Parameters @ 25°C | Typical Value | Units | |
| Wavelength | 780 – 980 | nm | |
| Operation Mode | QCW | CW | |
| Array Peak Output Power | 1200 – 14400 | 120 – 480 | W |
| Bar Emission Length | 10 | mm | |
| Number of Bars | 6 – 72 | 6 – 12 | # |
| Operating Current | 170 | 50 | A |
| Operating Voltage (per bar) | 2 | V | |
| Power Conversion Efficiency | 55 | % | |
| Bar to Bar Pitch | 400 (min) | µ | |
| Pulse Width | 300 (max) | ms | |
| Duty Cycle | 5 (max) | % | |
| Beam Divergence FWHM | 33×6 | 37×7 | ° |
| Beam Divergence FWHM (lensed) | 1×6 | 1×7 | ° |
Laser Diodes
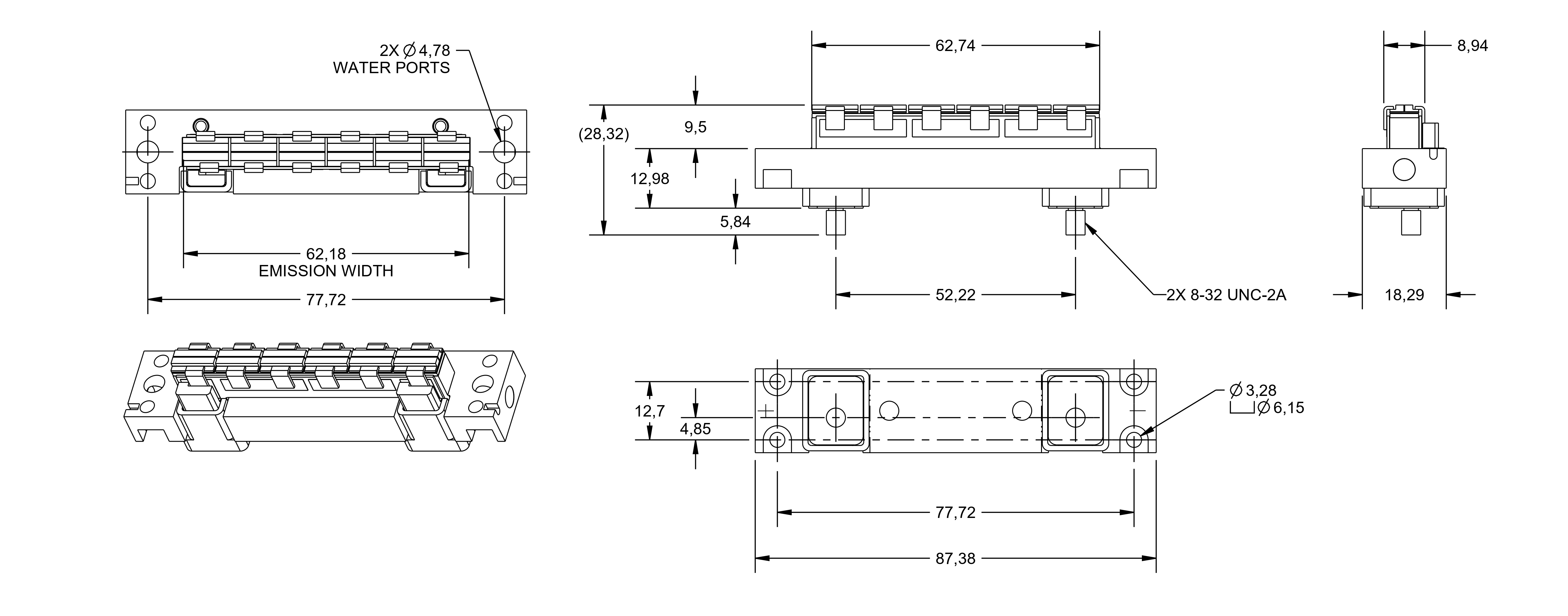
Shooter Package
The Shooter Package is a rugged laser diode array that is well suited for side pumping laser crystals in high energy laser systems and in direct diode industrial applications. The package features high-current electrical connections and threaded electrical studs that enable operation at high average current.
These arrays are available for continuous wave (CW) or pulsed (QCW) operational modes and are offered in standard lengths from 6 cm to 12 cm. Custom configurations with lengths > 16 cm are possible. For CW applications, the 12-Shooter is rated at 480 W of total power. For pulsed operation, the output power rating depends strongly on the operating conditions. Multiple bars can be placed at each location along the array to enable peak output powers of > 14 kW.
Typical Specifications
Popular Applications
CONTACT THE SALES TEAM TO FIND THE BEST SOLUTION FOR YOUR PROJECT
Fill out the form below and we will get back to you shortly


