Laser Diodes

Microchannel Cooled Stacks

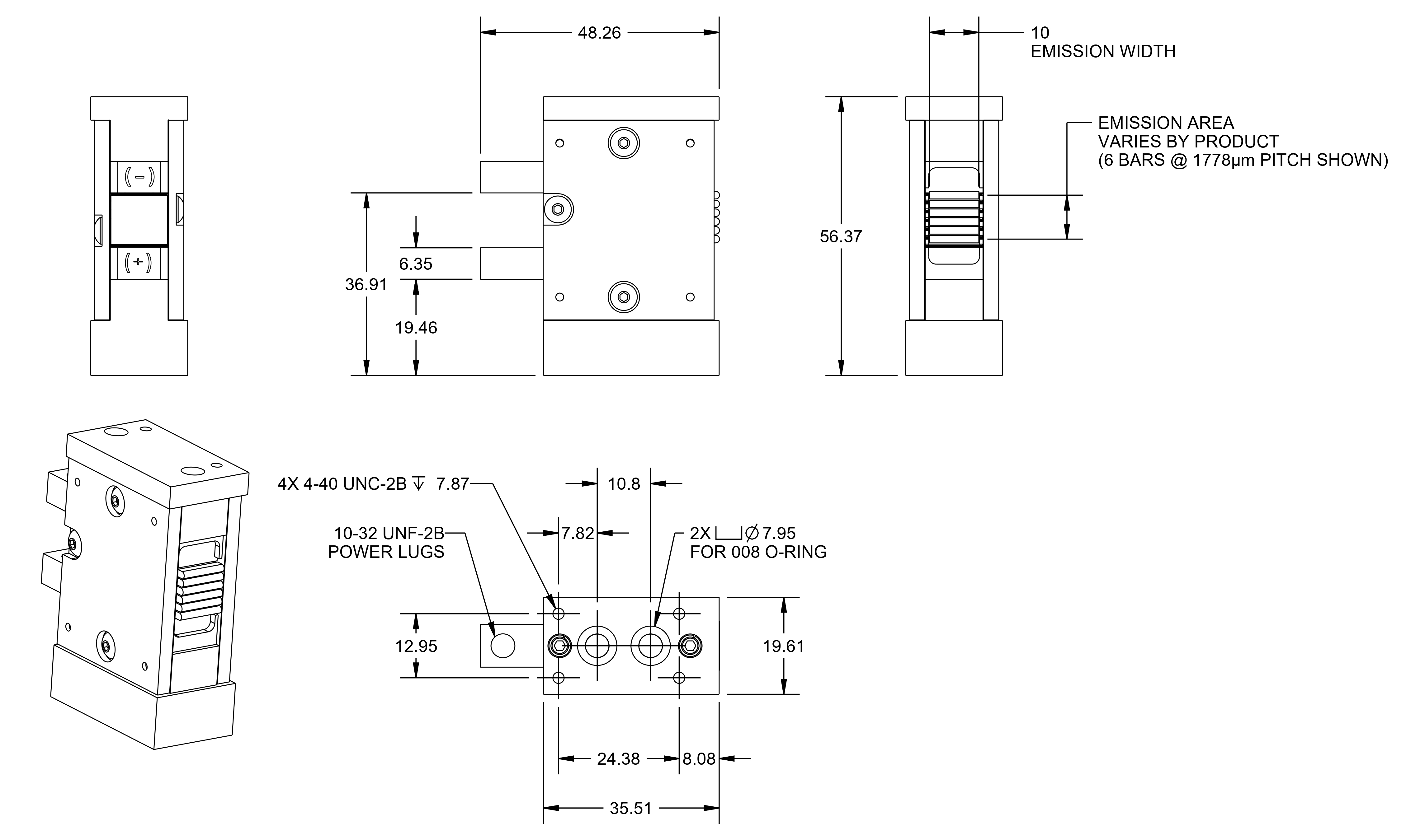
The Microchannel Cooled Stack (MCS) features state of the art cooling that enables superior heat extraction, thereby allowing for higher output powers than are available with other laser diode array styles. The MCS is available with continuous wave (CW) or pulsed (QCW) laser diode bars and can be stacked with up to 60 bars. The CW configuration is rated at up to 100 W per bar depending upon the wavelength, with standard wavelengths offered in the range from 780 nm – 980 nm and custom wavelength options available upon request. MCS arrays can be micro-lensed with a typical fast-axis collimation of ≤ 0.25° (FWHM) and are ideal for high brightness applications.

Features

  • Ideal For High Brightness Applications
  • DI Water Cooled
  • High Average and Peak Powers
  • Multi-Wavelength Configurations
  • Up to 100 W CW Per Bar
  • Fast & Slow Axis Collimation Available

Typical Dimensions

Typical Specifications

Typical Parameters @ 25°C Typical Value Units
Wavelength 780 – 980 nm
Operation Mode QCW CW  
Array Peak Output Power 12000 60 – 6000 W
Bar Emission Length 10 mm
Number of Bars 1 – 60 #
Operating Current 170 100 A
Operating Voltage (per bar) 2 V
Power Conversion Efficiency 55 %
Bar to Bar Pitch 800 – 1200   µ
Pulse Width 300 (max)   ms
Duty Cycle 25 (max)   %
Beam Divergence FWHM 33×6 37×7 °
Beam Divergence FWHM (lensed) 1×6 1×7 °
Product VideoCapability Video

Popular Applications

  • Diode-Pumped Solid-State Laser Pumping
  • High Energy Lasers
  • Materials Processing
  • Laser Cutting
  • Semiconductor Manufacturing

CONTACT THE SALES TEAM TO FIND THE BEST SOLUTION FOR YOUR PROJECT

Fill out the form below and we will get back to you shortly

Country
By submitting this form, you agree to receive informational newsletters from CEO Laser.

Browse other product categories

Contact Us